NS series Premium Efficient Stainless Steel Motors
Premium Efficient Stainless Steel Motors
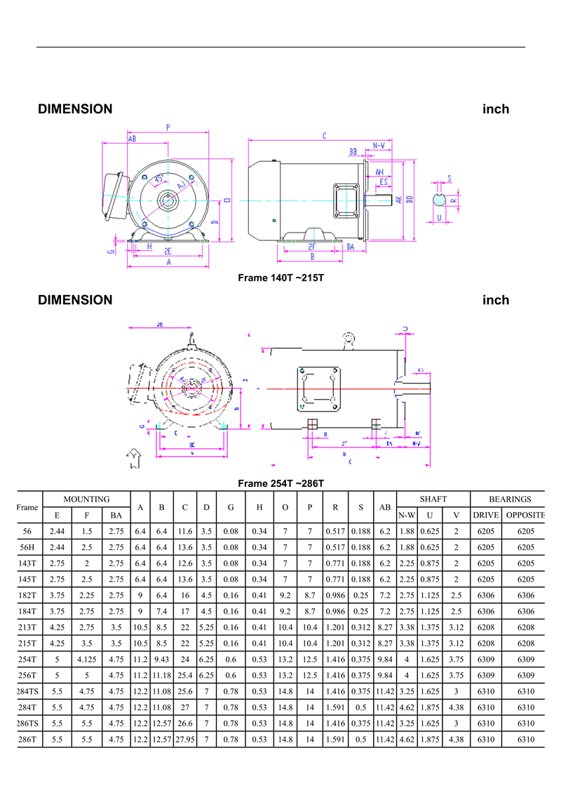
3PH TEFC 60 Hz NEMA AC C-Face Footed and Round Body Washdown Motors
NS Series Documentation
Premium Efficient TC Frame Stainless Steel motors are designed to meet the severe-duty sanitation requirements for food-grade and high pressure washdown motor applications. Available in TC-Frame sizes, Premium Efficient Stainless Steel motors feature a 1.15 service factor, IP55 degree of protection, interior anti-corrosion resistant coated, and are 100% TEFC 300 series stainless steel constructed for pharmaceutical, food & beverage processing and packaging industries.
Features
1. Inverter Duty Rated: 3:1CT & 5:1VT
2. Service Factor: 1.15
3. Design: "B" or “C”
4. Protection Degree: IP55
5. Enclosure: TEFC
6. VPI process applied for best electrical performance
7. C-Face with or without feet
8. Class “F” insulation with Class “B” rise
9. PTC140 thermistors standard for 180 frame and up
10. Continuous duty - Washdown duty
11. Sealed bearings
12. Squirrel cage rotor
13. 300 series stainless steel motor construction
14. 12-Gauge puddle welded base on footed motors
15. Anti-corrosion coating applied
16. DE and NDE drain holes every 90°
17. F1 assembly
18. CSA-US certified and CE marked
Application
Continuous duty stainless steel motor designed to meet the severe sanitation requirements of food-grade and high pressure washdown motor applications in the pharmaceutical, food and beverage, processing and packaging industries.




